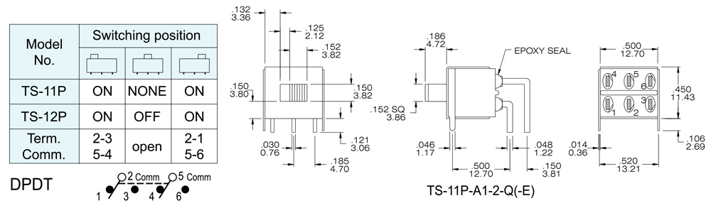
PRODUCT MODEL:TS-11P-A1-2-Q(-E)

TS-11P-A1-2-Q(-E)
PRODUCT SPECIFICATION:
CONTACT RATING: 5A @120 VAC or 28 VDC
2A @250 VAC
ELECTRICAL LIFE:30,000 make-and-break cycles at full load
CONTACT RESISTANCE: 10 mΩ max. initial @2-4 VDC, 100 mA
INSUL ATION RESISTANCE: 1,000 MΩ min.
DIELECTRIC STRENGTH: 1 ,500 V RMS @ sea level.
OPERATING TEMPERATURE: -30°C to 85°C
Application:
Household Products
Hood Panel
Wall switch
Video Doorbell, hotel access
Bathroom Equipment
Elevator operator Panel
Medical equipment,
Pharmaceutical equipment
Food processing equipment
Automotive Electronics