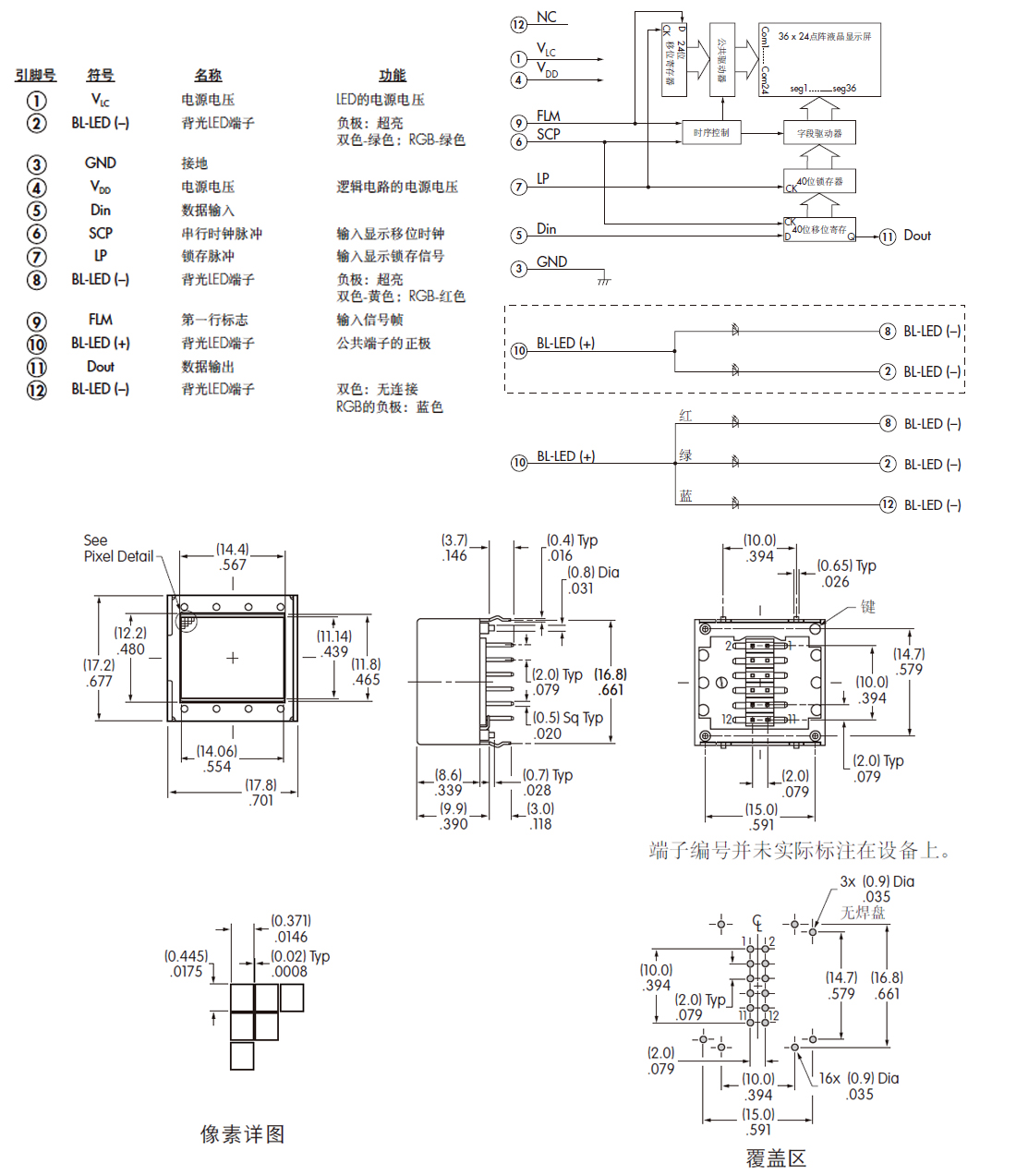
PRODUCT MODEL:LCD display 52 x36 pixels

LCD display 52 x36 pixels
PRODUCT SPECIFICATION:
Display operation mode STN positive or FSTN positive
Display condition self aligned reflective tape with built-in LED backlight
Operating temperature range -20°C~+60°C (-4°F~+140°F)
Storage temperature range -30°C+70°C (-22°F~+158°F)
Backlight LED two colors: yellow/green
RGB (red green blue) : red/green/blue
Application:
Industrial control, medical, broadcasting, telecommunications, military,
Measuring instrument
Main Features:
High definition, contrast,
Operating life of more than 50,000 hours
Thin border, achieve full - screen display
With bitmap display function
Low energy consumption, dustproof, long life
Epoxy resin seals PC terminals